产品概述
QJH型板式高压球芯截止阀 适用于各种油类及水基乳化液为介质的液压系统。可用于高、中、低压系统管道做为手动开关阀使用。设计结构紧凑、体积小。密封环为自润滑工程塑料,耐高压,密封性好,手把搬动灵活舒适。球阀芯及阀体内外表面均做腐蚀处理。
公称压力:31.5MPa
试验压力:48MPa
工作温度:-20~+80℃(如需高温球阀订货时请说明)
高压外螺纹球芯截止阀QJH产品概述:
图形符号

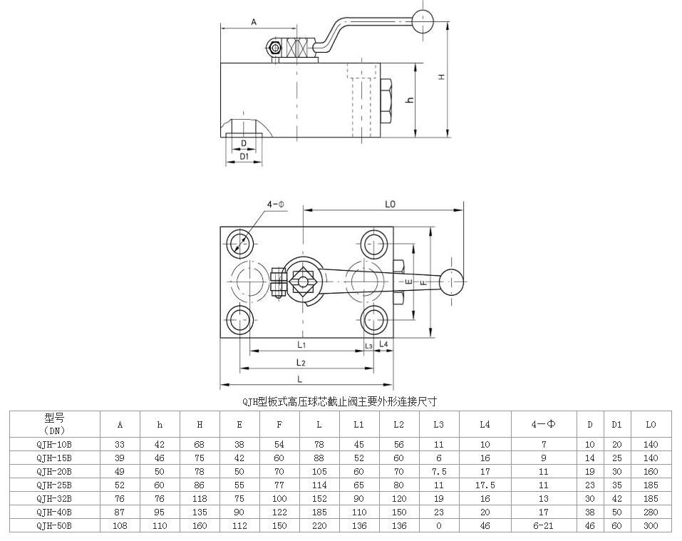
高压球芯截止阀型号说明

① 系列代号Series Code:QJH系列高压球芯截止阀
② 压力等级Pressure Grade:H-32MPa
③ 公称通径Nominal Path:6、10、15、20、25、32、40、50、65、80mm
④ 连接形式Joint Model:B-板式、F-法式、NL-内螺纹连接、WL-外螺纹连接

截止阀的选用原则:
截止阀是应用最广的阀类之一,虽然球阀和蝶阀不断发展,在部分场合可以取代截止阀,但截止阀本身所具备的一些特性并不能完全被球阀、蝶阀所替代。选用截止阀应遵循以下原则。①高温、高压介质的管路或装置上宜选用截止阀。如火电厂、核电站,石油化工系统的高温、高压管路上选用截止阀为宜。②对流阻要求不严的管路上,即对压力损失考虑不大的地方可以优先选用截止阀。③小型阀门可选用截止阀,如针阀、仪表阀、
取样阀、压力计阀等。④有流量调节或压力调节,但对调节精度要求不高,而且管路直径又比较小,如公称尺寸不大于DN50的管路上,宜选用节流型截止阀。⑤合成氨工业中的小化肥和大化肥宜选用公称压力PN160或PN320的高压角式截止阀或高压角式节流阀。⑥氧化铝拜尔法生产中的脱硅车间、易结焦的管路上,宜选用阀体分开式、阀座可更换的、硬质合金密封副的直流式截止阀或直流式节流阀。⑦城市建设中的供水、供热工程上,公称尺寸较小的管路,可选用截止阀、平衡阀或柱塞阀,如公称尺寸小于DN150的管路上。
上海沪通阀门科技有限公司销售产品电站阀:闸阀、球阀、蝶阀、截止阀、止回阀、平衡阀、调节阀、安全阀、减压阀、疏水阀、过滤器、隔膜阀、针型阀、平板闸阀、刀型闸阀、电动闸阀、气动闸阀、电动球阀、气动球阀、电动蝶阀、气动蝶阀、电动二通阀、高温阀门、自密封闸阀,减温减压装置,铝厂专用阀,固定式球阀,液控蝶阀,超高温蝶阀、工业阀门、楼宇自控阀、水力控制阀、大口径阀门、不锈钢阀门等国标、日标、美标的阀门。畅销国内市场。
![]()